|
|
(21), (22) Заявка: 2003115628/09, 27.05.2003
(24) Дата начала отсчета срока действия патента:
27.05.2003
(45) Опубликовано: 20.01.2005
(56) Список документов, цитированных в отчете о поиске:
АНДРЕЕВ В.А., Релейная защита и автоматика систем электроснабжения, Москва, Высшая школа, 1991, с.122. RU 94015190 А1, 20.04.1996, RU 2056693 С1, 20.03.1996, SU 350068, 04.01.1973, SU 775781, 01.11.1980.
Адрес для переписки:
129626, Москва, Рижский пр-д, 13, кв. 144, Е.Ю. Плужниковой
|
(72) Автор(ы):
Варганов Г.П. (RU), Розенблюм Р.З. (RU)
(73) Патентообладатель(и):
ОАО “Чебоксарский электроаппаратный завод” (RU)
|
(54) РЕЛЕ ЧАСТОТЫ
(57) Реферат:
Используется в электротехнике для создания электронных реле частоты. Технический результат заключается в расширении функциональных возможностей, путем обеспечения одновременного выполнения функций реле повышения и понижения частоты. Для этого реле частоты содержит частотно-зависимый элемент, сумматор, пять пороговых блока, два элемента И, реверсивный счетчик, исполнительный элемент, генератор тактовых импульсов, делитель частоты импульсов, одновибратор, при этом вход частотно-зависимого элемента является входом контролируемого сигнала, а вход одновибратора является входом запуска реле частоты. 2 ил.

Изобретение относится к электротехнике и может быть использовано в качестве электронного реле частоты.
Известно устройство, содержащее последовательно соединенные генератор тактовых импульсов, двоичный счетчик импульсов, дешифратор, формирователь импульсов и исполнительный элемент, выполненный в виде транзистора [1].
Недостатком устройства являются относительно узкие функциональные возможности, не позволяющие использовать его в качестве реле частоты.
Наиболее близким по технической сущности к заявляемому является устройство, содержащее последовательно соединенные разделительный трансформатор, частотный фильтр, первый частотно-зависимый элемент, первый формирователь импульсов, элемент ЗАПРЕТ, расширитель импульсов, усилитель и исполнительный элемент, второй частотно-зависимый элемент, вход которого соединен с выходом частотного фильтра, а выход – через ключ соединен со вторым входом первого формирователя импульсов, последовательно соединенные делитель напряжения, вход которого соединен с выходом частотного фильтра, второй формирователь импульсов и формирователь коротких импульсов, выход которого соединен со вторым входом элемента ЗАПРЕТ, а также пусковой элемент, выполненный в виде выпрямителя, вход которого соединен с выходом разделительного трансформатора, а выход – соединен со вторым входом расширителя импульсов [2].
Недостатком наиболее близкого технического решения являются относительно узкие функциональные возможности, поскольку оно одновременно может работать либо как реле понижения частоты, либо как реле повышения частоты.
Требуемый технический результат заключается в расширении функциональных возможностей, путем обеспечения одновременного выполнения функций реле повышения и понижения частоты.
Этот технический результат достигается тем, что в реле частоты, содержащее исполнительный элемент и частотно-зависимый элемент, сдвиг фазы выходного сигнала которого относительно фазы его входного сигнала пропорционален отклонению частоты контролируемого сигнала от заданной эталонной частоты, введены первый и второй элементы И, сумматор, реверсивный счетчик, одновибратор, первый, второй, третий, четвертый и пятый пороговые блоки и последовательно соединенные генератор тактовых импульсов и делитель частоты, при этом вход частотно-зависимого элемента является входом контролируемого сигнала и соединен с входом четвертого порогового блока, выход “больше” которого соединен с первым входом сумматора, выход частотно-зависимого элемента соединен с входом пятого порогового блока, выход “меньше” которого соединен со вторым входом сумматора, выход которого соединен с входом первого порогового блока, входы сложения и вычитания реверсивного счетчика соединены с выходами первого и второго элементов И, соответственно, первый прямой вход первого элемента И соединен с выходом “меньше” первого порогового блока, с выходом “больше” которого соединен первый прямой вход второго элемента И, второй прямой вход первого элемента И соединен с выходом делителя частоты, а второй прямой вход второго элемента И соединен с выходом генератора тактовых импульсов, выход реверсивного счетчика соединен со входом исполнительного элемента и с входами второго и третьего пороговых блоков, выход “больше” второго порогового блока и выход “меньше” третьего порогового блока соединены с инверсными входами первого и второго элементов И, соответственно, выход одновибратора соединен с входом начальной установки реверсивного счетчика и с входом запуска генератора тактовых импульсов, вход одновибратора является входом запуска реле частоты.
Кроме того, исполнительный элемент содержит пороговый блок, вход которого является входом исполнительного элемента, а выход непосредственно или через усилительный элемент соединен с входом реле с замыкающими контактами.
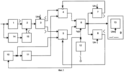
На фиг.1 представлена электрическая структурная схема реле частоты, на фиг.2 – временные диаграммы, поясняющие его работу.
Реле частоты (фиг.1) содержит четвертый пороговый блок 1, вход которого является входом контролируемой частоты, а выход “больше” – соединен с первым входом сумматора 2, выход которого соединен с входом первого порогового блока 3, первый 4 и второй 5 элементы И, первые входы которых соединены соответственно с выходом “меньше” и выходом “больше” первого порогового блока 3, реверсивный счетчик 6, вход сложения и вход вычитания которого соединены с выходом первого 4 и второго 5 элементов И соответственно, второй 7 и третий 8 пороговые блоки, выходы которых соединены с инверсными входами первого 4 и второго 5 элементов И, соответственно, и исполнительный элемент 9, вход которого соединен с выходом реверсивного счетчика 6. Устройство также содержит последовательно соединенные генератор 10 тактовых импульсов (ГТИ), выход которого соединен со вторым входом второго элемента И 5, и делитель 11 частоты импульсов, выход которого соединен со вторым входом первого элемента И 4, а также одновибратор 12, вход которого является входом запуска реле частоты, а выход соединен с входом начальной установки реверсивного счетчика бис входом запуска ГТИ 10. При этом, исполнительный элемент 9 может быть выполнен в виде порогового блока 13, вход которого является входом исполнительного элемента, а выход непосредственно или через усилительный элемент соединен со входом исполнительного реле с замыкающими контактами. Устройство кроме того, содержит частотно-зависимый элемент 14, вход которого соединен с входом четвертого порогового блока 1, а выход – соединен с входом пятого порогового блока 15, выход “меньше” которого соединен со вторым входом сумматора 2.
Первый 3, второй 7, третий 8, четвертый 1 и пятый 15 пороговые блоки, а также пороговый блок 13 могут быть выполнены в виде стандартных компараторов, реверсивный счетчик 6 – по схеме, представленной в [3, стр. 177, 187], делитель 11 – в виде двоичного счетчика. Частотно-зависимый элемент 14 может быть выполнен, например, в виде резонансного контура [2, стр. 52, рис. 1.14].
Входы четвертого порогового блока 1 и частотно-зависимого элемента 14 объединены и являются входом контролируемой частоты, а вход одновибратора 12 – является входом запуска реле частоты.
На фиг.2 представлены следующие временные диаграммы: на фиг.2,а – сигнал U1 напряжения на выходе четвертого порогового блока 1, на фиг.2,б – сигнал U15 на выходе пятого порогового блока 15 при равенстве контролируемой частоты номинальной частоте, на фиг.2,в – сигнал U15 на выходе пятого порогового блока 15, когда сдвиг контролируемой частоты относительно эталонной, например, равной частоте сети, приводит к отставанию фазы при прохождении сигнала контролируемой частоты через частотно-зависимый элемент, на фиг.2,г – сигнал U15 на выходе пятого порогового блока 15, когда сдвиг контролируемой частоты относительно эталонной приводит к опережению фазы при прохождении сигнала контролируемой частоты через частотно-зависимый элемент, на фиг.2,д – сигнал U2 на выходе сумматора 2 (для случая отставания фазы), на фиг.2,е – сигнал Е6 на выходе реверсивного счетчика 6 в аналоговом виде, на фиг.2,ж – сигнал U13 на выходе порогового блока 13.
Реле частоты работает следующим образом.
При включении устройства питание подается на все его элементы в том числе на вход запуска одновибратора 12, который вырабатывается импульс, поступающий на вход установки в начальное состояние реверсивного счетчика 6 и на вход запуска ГТИ 10. Начальное состояние счетчика целесообразно устанавливать равным или несколько выше порогового уровня исполнительного элемента Uиэ (фиг.2,е). На входы четвертого порогового блока 1 и частотно-зависимого элемента 14, которые являются входом контролируемой частоты реле частоты, поступает входной сигнал. На выходе четвертого порогового блока 1 формируется сигнал логической единицы при положительной полуволне напряжения контролируемой частоты (фиг.2,а), а на выходе пятого порогового блока 15 сигнал логической единицы при отрицательной полуволне напряжения контролируемой частоты (фиг.2,б, в, г), который может совпадать, опережать или отставать по фазе в зависимости от величины и знака отклонения от номинальной частоты. Сигналы с выходов пятого 14 и четвертого 1 пороговых блоков поступают на вход сумматора 2, формирующего суммарный сигнал (фиг.2,д). Это напряжение сравнивается в первом пороговым блоке 3 с опорным уровнем Uoп. Если напряжение больше опорного уровня, то уровень логической единицы формируется на выходе “больше” первого порогового блока 3, в противном случае – на его выходе “меньше”. В первом случае импульсы ГТИ 10 через второй элемент И 5 поступают на вход вычитания реверсивного счетчика 6, во втором случае – импульсы ГТИ 10 через первый элемент И 4 поступают на вход сложения счетчика 6 (фиг.2,б) после снижения частоты импульсов в делителе 11 частоты импульсов. В результате, при увеличении амплитуды выходного сигнала сумматора 2 выше уровня Uоп, что соответствует расфазировке сигналов на выходах четвертого 1 и пятого 15 пороговых блоков, сигнал на выходе реверсивного счетчика 6 относительно быстро станет ниже порогового уровня исполнительного элемента Uиэ, что приведет к формированию на выходе порогового блока 13 уровня логической единицы и срабатыванию замыкающего контакта исполнительного реле.
Второй 7 и третий 8 пороговые блоки обеспечивают устойчивость работы реле частоты. При длительной работе в нормальном режиме, когда выходной сигнал сумматора 2 находится в допустимых пределах, они не позволяют превысить максимально заданный уровень сигнала Uп+ реверсивного счетчика, при длительном недопустимо большом уровне выходного сигнала сумматора 2 – не позволяет стать меньше минимально заданного уровня сигнала Uп-.
Тем самым расширяются функциональные возможности реле частоты, поскольку реле реагирует как на повышение, так и на снижение контролируемой частоты.
Источники информации, принятые во внимание:
1. Электротехнический справочник, в 4-х томах, т.2. Электротехнические изделия и устройства. Под общей редакцией В.Г.Герасимова и др. – М.: Издательство МЭИ, 1998 г., с.390, рис. 35.10.
2. В.А.Андреев. Релейная защита и автоматика систем электроснабжения. – М.: Высшая школа, 1991, с.122, рис. 3.29. (прототип).
3. Букреев и др. Микроэлектронные схемы цифровых устройств. – М.: Советское радио, 1975.
Формула изобретения
Реле частоты, содержащее исполнительный элемент и частотно-зависимый элемент, сдвиг фазы выходного сигнала которого относительно фазы его входного сигнала пропорционален отклонению частоты контролируемого сигнала от заданной эталонной частоты, отличающееся тем, что введены первый и второй элементы И, сумматор, реверсивный счетчик, одновибратор, первый, второй, третий, четвертый и пятый пороговые блоки и последовательно соединенные генератор тактовых импульсов и делитель частоты, при этом вход частотно-зависимого элемента является входом контролируемого сигнала и соединен с входом четвертого порогового блока, выход “Больше” которого соединен с первым входом сумматора, выход частотно-зависимого элемента соединен с входом пятого порогового блока, выход “Меньше” которого соединен со вторым входом сумматора, выход которого соединен с входом первого порогового блока, входы сложения и вычитания реверсивного счетчика соединены с выходами первого и второго элементов И соответственно, первый прямой вход первого элемента И соединен с выходом “Меньше” первого порогового блока, с выходом “Больше” которого соединен первый прямой вход второго элемента И, второй прямой вход первого элемента И соединен с выходом делителя частоты, а второй прямой вход второго элемента И соединен с выходом генератора тактовых импульсов, выход реверсивного счетчика соединен со входом исполнительного элемента и с входами второго и третьего пороговых блоков, выход “Больше” второго порогового блока и выход “Меньше” третьего порогового блока соединены с инверсными входами первого и второго элементов И соответственно, выход одновибратора соединен с входом начальной установки реверсивного счетчика и с входом запуска генератора тактовых импульсов, вход одновибратора является входом запуска реле частоты.
РИСУНКИ
|
|