|
|
(21), (22) Заявка: 2003115467/11, 16.05.2003
(24) Дата начала отсчета срока действия патента:
16.05.2003
(45) Опубликовано: 10.01.2005
(56) Список документов, цитированных в отчете о поиске:
RU 2186698 C1, 10.08.2002. RU 2061321 C1, 27.05.1996. RU 2061320 C1, 27.05.1996. RU 2042548 C1, 27.08.1995.
Адрес для переписки:
190031, Санкт-Петербург, а/я 355, В.И. Дикареву
|
(72) Автор(ы):
Дикарев В.И. (RU), Журкович В.В. (RU), Сергеева В.Г. (RU), Рыбкин Л.В. (RU)
(73) Патентообладатель(и):
Дикарев Виктор Иванович (RU), Журкович Виталий Владимирович (RU), Сергеева Валентина Георгиевна (RU), Рыбкин Леонид Всеволодович (RU)
|
(54) ПРОТИВОУГОННАЯ СИСТЕМА ДЛЯ ТРАНСПОРТНЫХ СРЕДСТВ
(57) Реферат:
Изобретение относится к транспортной технике, в частности к устройствам для предотвращения недозволенного пользования транспортными средствами, например автомобилями. Оборудование, устанавливаемое на транспортном средстве, содержит источник питания, токоограничивающий резистор, дистанционной переключатель с двумя противофазными обмотками, светодиод, геркон, ключ зажигания, реле, задающий генератор, фазовый манипулятор, передатчик и передающую антенну. На приемном пункте, размещенном на борту летательного аппарата, имеются измерительный и четыре пеленгационных канала, в которые входят пять приемных антенн, блок поиска, три гетеродина, шесть смесителей, шесть усилителей первой промежуточной частоты, два измерителя ширины спектра, удвоитель частоты, блок сравнения, два пороговых блока, линия задержки, три ключа, измеритель частоты, шесть блоков регистрации, усилитель второй промежуточной частоты, частотный детектор, триггер, четыре перемножителя, четыре узкополосных фильтра, четыре фазовых детектора и коррелятор. В процессе работы системы осуществляется подавление ложных сигналов (помех), принимаемых по зеркальным и комбинационным каналам, путем корреляционной обработки канальных напряжений в измерительном канале. Благодаря этому обеспечивается повышение помехоустойчивости и достоверности приема на пункте тревожного сигнала о частоте, модулирующем коде и местоположении угнанного транспортного средства. 5 ил.

Предлагаемая система относится к транспортной технике, в частности к устройствам для предотвращения недозволенного пользования транспортными средствами, например автомобилями.
Известны противоугонные устройства и системы для транспортных средств (патенты РФ N 2006394, 2011574, 2018128, 2021927, 2033352, 2033353, 2033354, 2040416, 2042548, 2058966, 2061320, 2061321, 2186698: Дикарев В.И. и др. Защита транспортных средств от угона и краж. СПб, 2000 г. и др.).
Из известных устройств наиболее близким к предлагаемому является “Противоугонная система для транспортных средств” (патент РФ N 2186698, B 60 R 25/10, 2001), которая и выбрана в качестве ближайшего аналога.
Указанная система содержит на транспортном средстве источник питания, токоограничивающий резистор, дистанционный переключатель, светодиод, геркон, ключ зажигания, генератор прерывистых сигналов, электромагнитное реле, задающий генератор, фазовый манипулятор, передатчик и передающую антенну.
Приемный пункт, размещенный на летательном аппарате, содержит приемные антенны, блок поиска, гетеродины, смесители, усилители первой промежуточной частоты, обнаружитель, измерители ширины спектра, удвоитель частоты, блок сравнения, пороговый блок, линию задержки, ключи, измеритель частоты, блоки регистрации, усилитель второй промежуточной частоты, частотный детектор, триггер, перемножители, узкополосные фильтры и фазовые детекторы. Для пеленгации угнанных транспортных средств используется фазовый метод, который реализуется с помощью пяти приемных антенн, расположенных в виде несимметричнного геометрического креста.
Получив на приемном пункте информацию о частоте, модулирующем коде и местоположении угнанного транспортного средства, сотрудники милиции принимают меры по задержанию угонщика. Информация с летательного аппарата передается по радиоканалу в группы поиска и захвата. Система обеспечивает полное и однозначное определение местоположения угнанного транспортного средства.
Однако в известном способе одно и то же значение первой промежуточной частоты fпр1 может быть получено в результате приема сигналов на двух частотах fо и fз, т.е.
fпр1=fo-fг1 и fпр1=fз-fг1.
Следовательно, если частоту настройки fо принять за основной канал приема, то наряду с ним будет иметь место зеркальный канал приема, частота fз которого отличается от частоты fо на 2fпр1 и расположена симметрично (зеркально) относительно частоты fг1 первого гетеродина. Преобразование по зеркальному каналу приема происходит с тем же коэффициентом преобразования Кпр, что и по основному каналу. Поэтому он наиболее существенно влияет на помехоустойчивость и достоверность приема на пункте приема тревожного сигнала о частоте, модулирующем коде и местоположении угнанного транспортного средства.
Кроме зеркального, существуют и другие дополнительные (комбинационные) каналы приема. В общем виде любой комбинационный канал приема имеет место при выполнении условия:
fпр1=|±mfкi±nfг1|,
где fкi – частота комбинационного канала приема;
m, n – целые положительные числа.
Наиболее вредными комбинационными каналами приема являются каналы, образующиеся при взаимодействии несущей частоты fо принимаемого сигнала с гармониками частоты гетеродина малого порядка (второй, третий и т.д.), так как чувствительность приемника по этим каналам близка к чувствительности основного канала.
Так, двум комбинационным каналам при m=1 и n=2 соответствуют частоты (фиг.4):
fк1=2fг1-fпр1, fк2=2fг1+fпр1.
Наличие ложных сигналов (помех), принимаемых по зеркальному и комбинационным каналам, приводит к снижению помехоустойчивости и достоверности приема на пункте приема тревожного сигнала о частоте, модулирующем коде и местоположении угнанного транспортного средства.
Технической задачей изобретения является повышение помехоустойчивости и достоверности приема на пункте приема тревожного сигнала о частоте, модулирующем коде и местоположении угнанного транспортного средства.
Поставленная задача решается тем, что противоугонная система для транспортных средств, содержащая расположенные на транспортном средстве генератор прерывистых сигналов, один из питающих выводов которого через ключ зажигания соединен с плюсовой шиной источника питания, электромагнитное реле, обмотка которого подключена к выходу генератора прерывистых сигналов, а размыкающий контакт включен в цепь катушки зажигания последовательно с ключом зажигания, последовательно включенные задающий генератор, фазовый манипулятор, второй вход которого соединен с выходом генератора прерывистых сигналов, и передатчик, связанный с передающей антенной, дистанционный переключатель с двумя противофазными обмотками и размыкающими и замыкающими контактами, геркон, токоограничивающий резистор и светодиод, при этом с плюсовой шиной источники питания соединены непосредственно один из выводов токоограничивающего резистора и обмоток дистанционного переключателя, а через ключ зажигания – один из питающих выводов задающего генератора, фазового манипулятора и передатчика, размыкающий и замыкающий контакты первой обмотки дистанционного переключателя включены между одним из выводов геркона и вторыми выводами соответственно первой и второй обмоток дистанционного переключателя, второй размыкающий контакт второй обмотки дистанционного переключателя включен между вторым питающим выводом генератора прерывистых сигналов и минусовой шиной источника питания, первый размыкающий контакт второй обмотки дистанционного переключателя включен между другим выводом токоограничивающего резистора и анодом светодиода, катод которого и другой вывод геркона непосредственно, а другие питающие выводы задающего генератора, фазового манипулятора и передатчика через второй размыкающий контакт второй обмотки дистанционного переключателя соединены с минусовой шиной источника питания, и расположенные на приемном пункте измерительный канал, состоящий из последовательно включенных блока поиска, первого гетеродина, первого смесителя, второй вход которого соединен с выходом приемной антенны, и первого усилителя первой промежуточной частоты, последовательно включенных удвоителя частоты, второго измерителя ширины спектра, блока сравнения, второй вход которого соединен с выходом первого измерителя ширины спектра, первого порогового блока, второй вход которого соединен с выходом линии задержки, первого ключа, второй вход которого соединен с выходом первого усилителя первой промежуточной частоты, второго смесителя, второй вход которого соединен с выходом второго гетеродина, усилителя второй промежуточной частоты, частотного детектора, триггера и первого блока регистрации, и из последовательно подключенных к выходу первого гетеродина второго ключа, второй вход которого соединен с выходом первого порогового блока, измерителя частоты и второго блока регистрации, при этом выход первого порогового блока дополнительно соединен с входами линии задержки и блока поиска, и четыре пеленгационных канала, каждый из которых состоит из последовательно включенных приемной антенны, смесителя, второй вход которого соединен с выходом первого гетеродина измерительного канала, усилителя первой промежуточной частоты, перемножителя, второй вход которого соединен с выходом усилителя второй промежуточной частоты измерительного канала, узкополосного фильтра, фазового детектора и блока регистрации, при этом вторые входы фазовых детекторов первого и третьего пеленгационных каналов соединены с выходом второго гетеродина, при этом второй вход фазового детектора второго пеленгационного канала соединен с выходом узкополосного фильтра первого пеленгационного канала второй вход фазового детектора четвертого пеленгационного канала соединен с выходом узкополосного фильтра третьего пеленгационного канала, приемный пункт размещен на борту летательного аппарата, приемные антенны размещены на борту летательного аппарата в виде несимметричного геометрического креста, в пересечении которого помещена приемная антена измерительного канала, общая для приемных антенн пеленгационных каналов, расположенных в азимутальной и угломестной плоскостях, измерительный канал системы снабжен третьим гетеродином, третьим смесителем, вторым усилителем первой промежуточной частоты, коррелятором, вторым пороговым блоком и третьим ключом, причем к выходу блока поиска последовательного подключены третий гетеродин, третий смеситель, второй вход которого соединен с выходом приемной антенны, второй усилитель первой промежуточной частоты, коррелятор, второй вход которого соединен с выходом первого усилителя первой промежуточной частоты, второй пороговый блок и третий ключ, второй которого соединен с выходом первого усилителя первой промежуточной частоты, а выход подключен к входам первого измерителя ширины спектра и удвоителя частоты, частоты первого fг1 и третьего fг3 гетеродинов разнесены на удвоенное значение первой промежуточной частоты
fг3-fг1=2fпр1,
выбраны симметричными относительно несущей частоты fо принимаемого сигнала
fо=fг1=fг3-fо=fпр1
и перестраиваются синхронно.
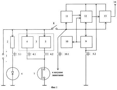
Структурная схема оборудования, устанавливаемого на транспортном средстве представлена на фиг.1. Структурная схема приемного пункта, размещаемого на борту летательного аппарата, изображена на фиг.2. Взаимное положение приемных антенн изображено на фиг.3. Частотная диаграмма, поясняющая процесс образования дополнительных каналов приема, показана на фиг.4. Временные диаграммы, поясняющие работу системы, изображены на фиг.5.
Противоугонная система для транспортных средств состоит из оборудования, устанавливаемого на транспортном средстве, и приемного пункта, размещаемого на борту летательного аппарата.
Оборудование, устанавливаемое на транспортном средстве, содержит: источник 1 питания, токоограничивающий резистор 2, дистанционный переключатель 3 с двумя противофазными обмотками 4 и 5, светодиод 6, геркон 7, ключ 8 зажигания, генератор 9 прерывистых сигналов, электромагнитное реле 10, задающий генератор 11, фазовый манипулятор 12, передатчик 13 и передающую антенну 14.
Приемный пункт, размещаемый на борту летательного аппарата, содержит: приемные антенны 15, 16, 17, 51 и 52, блок 18 поиска, гетеродины 19, 37 и 65, смесители 20, 21, 22, 38, 53, 54 и 66, усилители 23, 24, 25, 55,56 и 67 первой промежуточной частоты, обнаружитель 26, измерители 27 и 29 ширины спектра, удвоитель 28 частоты, блок 30 сравнения, пороговые блоки 31 и 69, линию 32 задержки, ключи 33, 34 и 70, измеритель 35 частоты, блоки 36, 42, 49, 50, 63 и 64 регистрации, усилитель 39 второй промежуточной частоты, часточный детектор 40, триггер 41, перемножители 43, 44, 57 и 58, узкополосные фильтры 45, 46, 59 и 60, фазовые детекторы 47, 48, 61 и 62, коррелятор 68.
Система работает следующим образом.
Транспортное средство может находиться в двух режимах: в режиме нормальной эксплуатации, когда противоугонная система выключена, и в режиме охраны, когда противоугонная система включена.
В первом режиме транспортное средство переводится путем поднесения постоянного магнита, выполненного, например, в виде брелка, к геркону 7, установленному за обшивкой транспортного средства в месте, известном только владельцу. При этом обмотка 4 дистанционного переключателя 3 через замкнутые контакты 4.1 и геркон 7 оказывается подключенной к источнику 1 питания. Дистанционный переключатель 3 переводится в свое первое устойчивое состояние, при котором контакты 4.2 замыкаются, а контакты 4.1 размыкаются. Контакты 5.1 и 5.2 находятся в разомкнутом состоянии.
При включении зажигания напряжение питания подается на катушки зажигания и двигатель работает в нормальном режиме, неисправность в цепи зажигания отсутствует.
Для перевода транспортного средства в режим охраны, то есть включения противоугонной системы, владелец опять подносит постоянный магнит к геркону 7. В этом случае срабатывает обмотка 5 и дистанционный перключатель 3 переводится во второе устойчивое состояние, при котором контакты 4.1, 5.1 и 5.2 замыкаются, а контакты 4.2 размыкаются. Данная ситуация показана на фиг 1. При этом напряжение питания через токоограничивающий резистор 2 и замкнутые контакты 5.1 поступает на светодиод 6, который срабатывает и сигнализирует владельцу о том, что противоугонная система включена.
При включении зажигания через замкнутые контакты 5.2 корпус транспортного средства подключается к вторым входам генератора 9 прерывистых сигналов, задающего генератора 11, фазового манипулятора 12 и передатчика 13. Генератор 9 начинает вырабатывать прямоугольные импульсы (фиг.5, б), переодически размыкая и замыкая контакты 10.1 электромагнитного реле 10, а задающий генератор 11 начинает вырабатывать гармоническое напряжение (фиг.5, а). При этом запуск двигателя осуществляется в период замкнутого состояния контактов 10.1, но угон невозможен, так как через некоторое время генератор 9 подает импульс, контакты 10.1 размыкаются, система зажигания и двигатель включаются.
Лицо, пытающееся совершить угон, начинает последовательно искать причины отказа в работе двигателя. При этом исходит из того, что большинство неисправностей приходится на систему зажигания. Обычно начинают проверку системы зажигания, так как убедиться в ее исправности наиболее просто (по наличию искры на проводах высокого напряжения, подходящих к свечам).
Допустим лицо, пытающееся совершить угон, поднесло провод высокого напряжения к массе и прокручивает двигатель. Если при этом искра есть (период, когда генератор 9 импульсов не подает), то угонщик переключается на поиск неисправности в системе питания и начинает последовательно проверять участки питания, то есть уходит в сторону от правильного пути поиска.
Если при проверке искра отсутствует (период подачи генератом 9 импульса), то угонщик исследует цепь электрооборудования и ищет поврежденный участок до перерыва в подаче импульса и исчезновения неисправности. Это служит указанием для замены якобы неисправного участка цепи, то есть опять вводит в заблуждение. Поиск неисправности усложняется.
Следовательно, отсутствие звуковой сигнализации не вызывает беспокойства и позволяет злоумышленнику длительное время заниматься своей преступной деятельностью. При этом угонщик, предприняв неоднократные попытки запустить двигатель, все же имеет реальную возможность обнаружить наличие противоугонной системы, раскрыть принцип ее работы и совершить угон транспортного средства. Для предотвращения угона транспортного средства используется радиоканал, по которому передается тревожная информация на приемный пункт, где принимаются меры по организации задержания угонщика.
При замыкании контактов 5.2 напряжение питания подается на генератор 9 прерывистых сигналов, задающий генератор 11, фазовый манипулятор 12 и передатчик 13 через замкнутый ключ 8 зажигания.
Гармоническое напряжение (фиг.5, а)
uо(t)=Uо Cos (2 fоt+ о),
где Uо, fо, о – амплитуда, несущая частота и начальная фаза напряжения, с выхода задающего генератора 11 поступает на первый вход фазового манипулятора 12, на второй вход которого подаются прямоугольные импульсы (модулирующий код M(t)) (фиг.5, б). На выходе фазового манипулятора 12 образуется фазоманипулированный (ФМн) сигнал, который после усиления в передатчике 13 излучается антенной в эфир и принимается приемным пунктом, размещенным на борту летательного аппарата.
Если в качестве летательного аппарата используется самолет, то приемные антенны 15, 16, 17, 51 располагаются на фюзеляже снизу, а приемная антенна 52 – на левом крыле (фиг.3).
Если в качестве летательного аппарата используется космический аппарат (объект), то применяются специальные панели, аналогичные панелям, которые после вывода космического аппарата на орбиту раскрываются и располагаются по направлению к поверхности Земли (фиг.3).
На приемном пункте просмотр заданного частотного диапазона Df и поиск ФМн – сигналов осуществляется с помощью блока 18 поиска, который периодически с периодом Тп по пилообразному закону синхронно перестраивает частоты fг1 и fг3 гетерединов 19 и 65. Ключи 33, 34 и 70 в исходном состоянии всегда закрыты.
Принимаемые ФМн – сигналы:
u1(t)=Uс Cos[2 fоt+ к(t)+ 1]
u2(t)=Uс Cos[2 fоt+ к(t)+ 2]
u3(t)=Uс Cos[2 fоt+ к(t)+ 3]
u4(t)=Uс Cos[2 fоt+ к(t)+ 4]
u5(t)=Uс Cos[2 fоt+ к(t)+ 5], 0 t Tc,
где Uс, fо, 1– 5, Тс – амплитуда, несущая частота, начальные фазы и длительность сигналов:
к(t)={о, } – манипулируемая составляющая фазы, отображающая закон фазовой манипуляции в соответствии с модулирующим кодом M(t) (фиг.5, б), причем к(t)=const при к uu и может измениться скачком при к u, то есть на границах между элементарными посылками (K=1,2,…N-1); u. N – длительность и количество элементарных посылок, из которых составлен сигнал длительностью Тc (Тс=. u) с выходом антен 15-17, 51 и 52 поступают на первые входы смесителей 20-22, 53, 54 и 66 соответственно, на вторые входы которых подаются напряжения линейно изменяющейся частоты с выходов первого 19 и третьего 65 гетеродинов:
uг1(t)=Uг1 Cos(2fг1t+ 21+ г1)
uг3(t)=Uг3 Cos(2fг1t+ 21+ г3), 0 t Tп,
где uг1, uг3, fг1, fг2, г1, г3, Тп – амплитуды, начальные частоты, начальные фазы и период повторения напряжений гетеродинов:
1=Df Тп – скорость изменения частоты гетородинов 19 и 65.
Причем частоты fг1 и fг3 гетеродинов 19 и 65 разнесены на удвоенное значение первой промежуточной частоты
fг3-fг1=2fпр1,
выбраны симметричными относительно несущей частоты fo принимаемых сигналов
fo-fu1=fu3-fo=fпр и перестраиваеся синхронно.
Это обстоятельство приводит к удвоению дополнительных каналов приема (фиг.4), но создает благоприятные условия для их подавления за счет корреляционной обработки канальных напряжений.
На выводах смесителей 20-22, 53, 54 и 66 образуются напряжения комбинационных частот. Усилителями 23-25, 55, 56 и 67 выделяются напряжения первой промежуточной частоты:
uпр1(t)=Uпр1 Cos(2 fпр1t+ k(t)- 1t2+ пр1)
uпр2(t)=Uпр1 Cos(2 fпр1t+ k(t)- 1t2+ пр2)
uпр3(t)=Uпр1 Cos(2 fпр1t+ k(t)- 1t2+ пр3)
uпр4(t)=Uпр1 Cos(2 fпр1t+ k(t)- 1t2+ пр4)
uпр5(t)=Uпр1 Cos(2 fпр1t+ k(t)- 1t2+ пр5)
uпр6(t)=Uпр1 Cos(2 fпр1t+ k(t)- 1t2+ пр6), 0 t Тс,
где uпр1=(1/2)К1UсUг1:
uпр3=(1/2)К1UсUг3:
К1 – коэффициент передачи смесителей
Fпр1=fo-fг1=fu3-fo первая промежуточная частота:
пр1= 1– г1; пр2= 2– г1;
пр3= 3– г1; пр4= 4– г1;
пр5= 5– г1; пр6= 6– г1;
Напряжения uпр1(t) и uпр6(t) с выходов усилителей 23 и 67 первой промежуточной частоты поступают на два входа коррелятора 68, на выходе которого образуется напряжение, пропорциональное корреляционной функции R( ). Так как канальные напряжения uпр1(t) и uпр6(t) образуются одним и тем же ФМн-сигналом u1(t), принимаемым по основному каналу на частоте fo (фиг.4), то между этими канальными напряжениями существует сильная корреляционная связь. Выходное напряжение коррелятора 68 достигает максимального значения Umax( ), которое превышает пороговое напряжение Uпор в пороговом блоке 69. Пороговый уровень Uпор1 выбирается таким, чтобы его не превышали случайные помехи. Пороговый уровень Uпор1 превышается только при максимальном значении выходного напряжения коррелятора 68. Следует также отметить, что корреляционная функция R( ) ФМн – сигналов обладает замечательным свойством: она имеет максимальный главный лепесток и низкий уровень боковых лепестков. При превышении порогового уровня Uпор1 в пороговом блоке 69 формируется постоянное напряжение, которое поступает на управляющий вход ключа 70 и открывает его. При этом напряжение uпр1(t) с выхода усилителя 23 первой промежуточной частоты через открытый ключ 70 поступает на вход обнаружителя 26, состоящего из измерителей 27 и 29 ширины спектра, удвоителя 28 частоты, блока 30 сравнения порогового блока 31 и линии 32 задержки.
На выходе удвоителя 28 частоты образуется напряжение
u6(t)=Uпр1 Cos(2 fпр1t-2 1t2+2 пр1), 0 t Tc,
в котором фазовая манипуляция уже отсутствует.
Ширина спектра второй гармоники f2 определяется длительностью Т сигнала f2>1/Тс). Тогда как ширина спектра ФМн-сигнала первой промежуточной частоты определяется длительностью u его элементарных посылок ( fс=1/ u).
Следовательно, при умножении первой промежуточной частоты на два спектра ФМн-сигнала “сворачивается” в N раз ( fc/ f2=N). Это обстоятельство и позволяет обнаружить и отселектировать ФМн-сигнал даже тогда, когда его мощность на входе приемного устройства меньше мощности шумов и помех.
Ширина спектра fc ФМн-сигнала измеряется с помощью измерителя 27 ширины спектра, а ширина спектра второй гармоники сигнала измеряется с помощью измерителя 29 ширины спектра. Напряжения U1 и U2, пропорциональные fc и f2 соответственно, с выходов измерителей 27 и 29 ширины спектра поступают на два входа блока 30 сравнения. Так как U1>>U2, то на выходе блока 30 сравнения формируется постоянное напряжение, которое сравнивается с пороговым уровнем Uпор1 в пороговом блоке 31. Пороговый уровень Uпор1 выбирается таким образом, чтобы этот уровень не превышали случайные помехи. Пороговый уровень Uпор1 превышает только при обнаружении сложного ФМн-сигнала. При превышении порогового уровня Uпор1 в пороговом блоке 31 формируется постоянное напряжение, которое поступает на управляющие входы ключей 33 и 34, открывая их, на вход линии 32 задержки и на управляющий вход блока 18 поиска, переводя его в режим остановки. С этого момента времени просмотр заданного частотного диапазона Df и поиск ФМн-сигналов прекращается на время анализа и регистрации обнаруженного ФМн-сигнала, которое определяется временем задержки з линии 32 задержки.
Частота гетеродина 19 измеряется измиерителем 35 частоты и фиксируется блоком 36 регистрации. Зная частоту перестраиваемого гетеродина 19 в момент обнаружения ФМн-сигнала, можно определить и несущую частоту fо обнаруженного ФМн-сигнала.
Транспортные средства определенных территорий и районов могут иметь свои несущие частоты, что является дополнительным признаком опознавания угнанного транспортного средства.
При прекращении перестройки гетеродинов 19 и 65 усилителями 23-25, 55, 56 и 67 первой промежуточной частоты выделяются следующие напряжения:
uпр7(t)=Uпр1 Cos[2 fпр1t+ k(t)+ пр1]
uпр8(t)=Uпр1 Cos[2 fпр1t+ k(t)+ пр2]
uпр9(t)=Uпр1 Cos[2 fпр1t+ k(t)+ пр3]
uпр10(t)=Uпр1 Cos[2 fпр1t+ k(t)+ пр4]
uпр11(t)=Uпр1 Cos[2 fпр1t+ k(t)+ пр5]
uпр12(t)=Uпр1 Cos[2 fпр1t+ k(t)+ пр6], 0 t Tc,
Напряжения uпр8(t)-uпр11(t) с выходов усилителей 24, 25, 55 и 56 первой промежуточной частоты поступают на первые входы перемножителей 43, 44, 57 и 58 соответственно.
Напряжение uпр7(t) с выхода усилителя 23 первой промежуточной частоты через открытый ключ 33 поступает на первый вход смесителя 38, на второй вход которого подается напряжение второго гетеродина 37, частота которого стабилизирована кварцем
uг2(t)=Uг2 Cos(2 fг2t+ г2),
где Uг2, fг2, г2 – амплитуда, частота и начальная фаза напряжения гетеродина 37.
На выходе смесителя 38 образуются напряжения комбинационных частот. Усилителем 39 выделяется напряжение второй промежуточной частоты (фиг.5, г)
uпр13(t)=Uпр2 Cos[2 fпр2t+ k(t)+ пр13], 0 t Tc,
где Uпр2=(1/2) K1 Uпр1 Uг2
fпр2=fпр1-fг2 – вторая промежуточная частота;
пр13= пр1– г2, которое поступает на вход частотного детектора 40.
На выходе последнего образуются короткие разнополярные импульсы (фиг.5,д), соответствующие моментам скачкообразного изменения фазы принимаемого ФМн-сигнала второй промежуточной частоты uпр13 (фиг.5, г). Указанные импульсы поступают на вход триггера 11. Каждым положительным коротким импульсом триггер 11 переводится в одно устойчивое состояние, а каждым отрицательным коротким импульсом -в другое устойчивое состояние. На выходе триггера 41 формируются прямоугольные (фиг.5, е), соответствующие модулирующему коду M(t) (фиг.5, б). Эти импульсы фиксируются блоком 42 регистрации. При этом каждое транспортное средство имеет свой модулирующий код, который состоит из адресной и информационной частей. Адресная часть состоит из n элементарных посылок и используется для передачи сведений, например, о номере стоянки, гаража, района и т.д. Информационная часть состоит из m элементарных посылок
(m=N-n)
и используется для передачи сведений о номерном знаке транспортного средства и его владельца. Прием модулирующий код M(t) выделяется из принимаемого ФМн-сигнала без традиционного опорного напряжения. Для этого используются структурные свойства ФМн-сигналов, частотный детектор 40 и триггер 41.
Пеленгация транспортного средства, подвергающегося угону или угнанного, осуществляется фазовым методом, которому свойственно противоречие между требованиями точности измерений и однозначности отсчета углов. Для разрешения этого противоречия используется многошкальный метод пеленгации.
Напряжение uпр13(t) с выхода усилителя 39 второй промежуточной частоты одновременно поступает на вторые входы перемножителей 43, 44, 57 и 58, на выходах которых образуются гармонические напряжения:
u7 (t)=U7 Cos(2 fг2t+ г2+ 1),
u8 (t)=U7 Cos(2 fг2t+ г2– 2),
u9 (t)=U7 Cos(2 fг2t+ г2+ 3),
u10 (t)=U7 Cos(2 fг2t+ г2– 4), 0 t Tc,
где U7=(1/2) K2 Uпр1 Uпр2:
К2 – коэффициент передачи перемножителей.
 1= 1– 1=2 d1/ Cos ,
 2= 1– 1=2 d2/ Cos ,
 3= 1– 1=2 d3/ Cos ,
 4= 1– 1=2 d4/ Cos ,
, – угловые координаты транспортного средства (азимут и угол места).
Указанные напряжения выделяются узкополосными фильтрами 45, 46, 59, 60 и поступают на первые входы фазовых детекторов 47, 48, 61, 62 соответственно. На вторые входы фазовых детекторов 47 и 61 подается напряжение uг2 (t) второго гетеродина 37. На вторые входы фазовых детекторов 48 и 62 подаются гармонические напряжения u7 (t) и u9 (t) с выходов узкополосных фильтров 45 и 59. Соответственно знаки “+” и “-” перед фазовыми сдвигами  1,  2 и  2,  4 соответствуют диаметрально противоположным положениям антенн 16, 17 и 51, 52 относительно антенны 15.
На выходах фазовых детекторов 47, 48, 61 и 62 образуются постоянные напряжения:
uн1( )=Uн1 Cos 1,
uн2( )=Uн2 Cos 5,
uн3( )=Uн1 Cos 3,
uн4( )=Uн2 Cos 6,
где Uн1=(1/2) К3 U7 Uг2,
Uн2=(1/2) К3 U27,
 5= 1+ 2=2 d5/ CosA , d5=d1+d2;
 6= 3+ 4=2 d6/ Cos , d6=d3+d4;
которые фиксируются блоками 49, 50, 53 и 64 регистрации.
Приемные антенны 15, 16, 17, 51 и 52 размещаются таким образом, что измерительные базы образуют несимметричный геометрический крест, в пересечении которого помещается антенна 15 измерительного канала (фиг.3). При этом меньшие базы d1 и d3 образуют грубые, но однозначные шкалы пеленгации, а большие базы d5 и d6 – точные, но неоднозначные шкалы пеленгации:
d1/ <1/25/ , d3/ <1/26/
Зная высоту h полета летательного аппарата и измерив угловые координаты и , можно точно и однозначно определить местоположение угнанного транспортного средства.
Так, предполагается использовать фазовый метод пеленгации угнанных транспортных средств с помощью пяти приемных антенн, расположенных в виде несимметричного геометрического креста.
Получив на приемном пункте информацию о частоте, модулирующем коде и местоположении угнанного транспортного средства, сотрудники милиции принимают соответствующие меры по задержанию угонщика. Для этого полученная информация с борта летательного аппарата передается по радиоканалу в группы поиска и захвата, а также заносится в банке данных.
Описанная выше работа системы соответствует случаю приема полезных ФМн-сигналов по основному каналу на частоте fо (фиг.4).
Если ложный сигнал (помеха) принимается по первому зеркальному каналу на частоте fз1, то на выходе смесителей 20 и 66 образуются напряжения следующих частот:
fз11=fг1+ 1t-fз1=fup1+ t;
fз13=fг3+ 1t-fз1;
f(2)з11=2fг1+ 2t-fз1;
f(2)з13=2fг3+ 2t-fз1; 2=2 1.
где первый индекс обозначает номер гетеродина, частота которого участвует в преобразовании несущей частоты принимаемого сигнала:
– индекс в степени обозначает номер гармоники частоты гетеродина, участвующей в преобразовании несущей частоты принимаемого сигнала.
Однако только напряжение с частотой fз11 попадает в полосу пропускания fп усилителя 23 первой промежуточной частоты. Так как в полосе пропускания fп усилителя 67 первой промежуточной частоты напряжение отсутствует, то выходное напряжение коррелятора 68 равно нулю, ключ 70 не открывается и ложный сигнал (помеха), принимаемый по первому зеркальному каналу на частоте fз1, подавляется.
По аналогичной причине подавляются и ложные сигналы (помехи), принимаемые по второму зеркальному каналу на частоте fз1 или по первому комбинационному каналу на частоте fk1 или по любому другому дополнительному каналу.
Если ложные сигналы (помехи) одновременно принимаются по первому и второму зеркальным каналам на частотах fз1 и fз2, то на выходах смесителей 20 и 66 образуются напряжения следующих частот:
fз11=fг1+ 1t-fз1=fup1+ 1t;
fз13=fг3+ 1t-fз1;
f(2)з11=2fг1+ 2t-fз1;
f(2)з13=2fг3+ 2t-fз1;
fз31=fз3-fг1– 1t;
fз33=fз3-fг3– 1t=fup1+ 1t;
f(2)з31=2fг1+ 2t-fз3;
f(2)з33=2fг3+ 2t-fз3;
В этом случае напряжения с частотами fз11 и fз33 попадают в полосу пропускания fп усилителей 23 и 67 первой промежуточной частоты. Однако ключ 70 не открывается. Это обясняется тем, что канальные напряжения с частотами fз11 и fз33 образованы разными сигналами (помехами), принимаемыми на разных частотах fз1 и fз3. Между ними существует слабая корреляционная связь, выходное напряжение коррелятора 68 имеет незначительную величину и не превышает порогового уровня Uпop1 в пороговом блоке 69. Ключ 70 не открывается и ложные сигналы (помехи), принимаемые одновременно по первому и второму зеркальным каналам на частотах fз1 и fз3, подавляются.
По аналогичной причине подавляются и другие ложные сигналы (помехи), принимаемые одновременно по двум и более другим дополнительным каналам.
Таким образом, предлагаемая система по сравнению с прототипом обеспечивает повышение помехоустойчивости и достоверности приема на пункте приема тревожного сигнала о частоте, модулирующем коде и местоположении угнаного транспортного средства. Это достигается подавлением ложных сигналов (помех), принимаемых по зеркальным и комбинационным каналам, путем корреляционной обработки канальных напряжений в измерительном канале. При этом используется замечательное свойство корреляционной функции ФМн-сигналов.
Формула изобретения
Противоугонная система для транспортных средств, содержащая расположенные на транспортном средстве генератор прерывистых сигналов, один из питающих выводов которого через ключ зажигания соединен с плюсовой шиной источника питания, электромагнитное реле, обмотка которого подключена к выходу генератора прерывистых сигналов, а размыкающий контакт включен в цепь катушки зажигания последовательно с ключом зажигания, последовательно включенные задающий генератор, фазовый манипулятор и передатчик, связанный с передающей антенной, дистанционный переключатель с двумя противофазными обмотками и размыкающими и замыкающими контактами, геркон, токоограничивающий резистор и светодиод, при этом с плюсовой шиной источника питания соединены непосредственно один из выводов токоограничивающего резистора и обмоток дистанционного переключателя, а через ключ зажигания – один из питающих выводов задающего генератора, фазового манипулятора и передатчика, размыкающий и замыкающий контакты первой обмотки дистанционного переключателя включены между одним из выводов геркона и вторыми выводами соответственно первой и второй обмоток дистанционного переключателя, второй размыкающий контакт второй обмотки дистанционного переключателя включен между вторым питающим выводом генератора прерывистых сигналов и минусовой шиной источника питания, первый размыкающий контакт второй обмотки дистанционного переключателя включен между выводом токоограничивающего резистора и анодом светодиода, катод которого и другой вывод геркона непосредственно, а другие питающие выводы задающего генератора, фазового манипулятора и передатчика через второй размыкающий контакт второй обмотки дистанционного переключателя соединены с минусовой шиной источника питания, второй вход фазового манипулятора соединен с выходом генератора прерывистых сигналов, и расположенные на приемном пункте измерительный канал, состоящий из последовательно включенных блока поиска, первого гетеродина, первого смесителя, второй вход которого соединен с выходом приемной антенны, и первого усилителя первой промежуточной частоты, последовательно включенных удвоителя частоты, второго измерителя ширины спектра, блока сравнения, второй вход которого соединен с выходом первого измерителя ширины спектра, первого порогового блока, второй вход которого соединен с выходом линии задержки, первого ключа, второй вход которого соединен с выходом первого усилителя первой промежуточной частоты, второго смесителя, второй вход которого соединен с выходом второго гетеродина, усилителя второй промежуточной частоты частотного детектора, триггера и первого блока регистрации, и из последовательно подключенных к выходу первого гетеродина второго ключа, второй вход которого соединен с выходом первого порогового блока, измерителя частоты и второго блока регистрации, при этом выход первого порогового блока дополнительно соединен с входами линии задержки и блока поиска, и четыре пеленгационных канала, каждый из которых состоит из последовательно включенных приемной антенны, смесителя, второй вход которого соединен с выходом первого гетеродина измерительного канала, усилителя первой промежуточной частоты, перемножителя, второй вход которого соединен с выходом усилителя второй промежуточной частоты измерительного канала, узкополосного фильтра, фазового детектора и блока регистрации, при этом вторые входы фазовых детекторов первого и третьего пеленгационных каналов соединены с выходом второго гетеродина, второй вход фазового детектора второго пеленгационного канала соединен с выходом узкополосного фильтра первого пеленгационного канала, второй вход фазового детектора четвертого пеленгационного канала соединен с выходом узкополосного фильтра третьего пеленгационного канала, приемный пункт размещен на борту летательного аппарата, приемные антенны размещены на борту летательного аппарата в виде несимметричного геометрического креста, в пересечении которого помещена приемная антенна измерительного канала, общая для приемных антенн пеленгационных каналов, расположенных в азимутальнной и угломестной плоскостях, отличающаяся тем, что измерительный канал системы снабжен третьим гетеродином, третьим смесителем, вторым усилителем первой промежуточной частоты, коррелятором, вторым пороговым блоком и третьим ключом, причем к выходу блока поиска последовательно подключены третий гетородин, третий смеситель, второй вход которого соединен с выходом приемной антенны, второй усилитель первой промежуточной частоты, коррелятор, второй вход которого соединен с выходом первого усилителя первой промежуточной частоты, второй пороговый блок и третий ключ, второй вход которого соединен с выходом первого усилителя первой помежуточной частоты, а выход подключен к входам первого измерителя ширины спектра и удвоителя частоты, частоты первого fг1 и третьего fг3 гетеродинов разнесены на удвоенное значение первой промежуточной частоты
fг1-fг3=2fпр1,
выбраны симметричными относительно несущей частоты fo принимаемого сигнала
f0-fг1=fг3-f0=fпр
и перестраиваются синхронно.
РИСУНКИ
MM4A Досрочное прекращение действия патента Российской Федерации на изобретение из-за неуплаты в установленный срок пошлины за поддержание патента в силе
Дата прекращения действия патента: 17.05.2005
Извещение опубликовано: 27.12.2006 БИ: 36/2006
|
|