|
|
(21), (22) Заявка: 2003120840/09, 07.07.2003
(24) Дата начала отсчета срока действия патента:
07.07.2003
(45) Опубликовано: 10.12.2004
(56) Список документов, цитированных в отчете о поиске:
SU 734852 A, 18.05.1980. RU 92008991 C1, 20.02.1995. RU 2040098 C1, 20.07.1995. RU 2040097 C1, 20.07.1995. SU 888283 A, 09.12.1981. SU 1585868 A1, 15.08.1990. RU 2075148 C1, 10.03.1997. EP 0271604 A1, 26.09.1984. US 3588649 A, 22.06.1988.
Адрес для переписки:
347740, Ростовская обл., г. Зерноград, ул. Ленина, 14, ВНИПТИМЭСХ
|
(72) Автор(ы):
Ванурин В.Н. (RU), Типцов А.А. (RU)
(73) Патентообладатель(и):
Государственное научное учреждение “Всероссийский научно-исследовательский и проектно-технологический институт механизации и электрификации сельского хозяйства” (RU)
|
(54) ТРЕХФАЗНО-ДВУХФАЗНАЯ ОБМОТКА
(57) Реферат:
Изобретение относится к области электротехники. Технический результат – обеспечение высоких эксплуатационных показателей асинхронных двухскоростных электродвигателей. Сущность изобретения состоит в следующем. Трехфазно-двухфазная обмотка содержит 12 катушечных групп с выводами от объединенных концов 1, 5, 9 и начал 4, 8, 12 катушечных групп, от объединенных начал 1, 7 катушечных групп, от объединенных начал 3, 9 катушечных групп, от объединенных начал 5, 11 катушечных групп, от объединенных концов 2 и 8 катушечных групп, от объединенных концов 4 и 10 катушечных групп, от объединенных концов 6 и 12 катушечных групп и от объединенных начал 2, 6, 10 и концов 3, 7, 11 катушечных групп. 2 ил.

Изобретение относится к электротехнике и может быть использовано для создания асинхронных электродвигателей с высокими эксплуатационными показателями.
Известна трехфазно-двухфазная обмотка, содержащая 12 катушечных групп с выводами от объединенных концов 1, 5, 9 и начал 4, 8, 12 катушечных групп, от объединенных начал 2, 6, 10 катушечных групп, от объединенных начал 1, 7 катушечных групп, от объединенных начал 3, 9 катушечных групп, от объединенных начал 5, 11 катушечных групп, от объединенных концов 3, 7, 11 катушечных групп, от объединенных концов 2 и 8 катушечных групп, от объединенных концов 4 и 10 катушечных групп, от объединенных концов 6 и 12 катушечных групп /1, 2/.
Недостаток обмотки заключается в большом числе выводов.
Предлагаемым изобретением решается задача уменьшения числа выводов от обмотки и повышения эксплуатационных показателей асинхронных электродвигателей.
Решение указанной задачи достигается тем, что в трехфазно-двухфазной обмотке из 12 катушечных групп с выводами от объединенных концов 1, 5, 9 и начал 4, 8, 12 катушечных групп, от объединенных начал 1, 7 катушечных групп, от объединенных начал 3, 9 катушечных групп, от объединенных начал 5, 11 катушечных групп, от объединенных концов 2 и 8 катушечных групп, от объединенных концов 4 и 10 катушечных групп, от объединенных концов 6 и 12 катушечных групп, вывод взят от объединенных начал 2, 6, 10 и концов 3, 7, 11 катушечных групп.
На фиг.1 приведена схема обмотки;
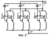
на фиг.2 показана схема включения конденсаторов.
Согласно фиг.1 статорная обмотка содержит 12 катушечных групп с выводами от объединенных концов 1, 5, 9 и начал 4, 8, 12 катушечных групп, от объединенных начал 1, 7 катушечных групп, от объединенных начал 3, 9 катушечных групп, от объединенных начал 5, 11 катушечных групп, от объединенных концов 2 и 8 катушечных групп, от объединенных концов 4 и 10 катушечных групп, от объединенных концов 6 и 12 катушечных групп и от объединенных начал 2, 6, 10 и концов 3, 7, 11 катушечных групп.
Согласно фиг.2 при подведении трехфазного напряжения к выводам 13 и 16, 14 и 18, 20 и 19 обмотка создает 4 полюса, а при подведении однофазного напряжения к выводам 15 и 17 две фазные обмотки образуют 6 полюсов. При 4 полюсах конденсаторы С способствуют снижению реактивного тока в сети, а при 6 полюсах обеспечивают фазовый сдвиг токов. Для изменения направления вращения ротора двигателя при включении в однофазную сеть конденсаторы подключают к выводам 16, 18 и 19.
Источники информации
1. Авторское свидетельство СССР №734852, Н 02 К 3/28, 1980 г. Ванурин В.Н.
2. Статорные обмотки асинхронных электродвигателей. – Зерноград: ВНИП-ТИМЭСХ, 2001.
Формула изобретения
Трехфазно-двухфазная обмотка, содержащая 12 катушечных групп с выводами от объединенных концов 1, 5, 9 и начал 4, 8, 12 катушечных групп, от объединенных начал 1, 7 катушечных групп, от объединенных начал 3, 9 катушечных групп, от объединенных начал 5, 11 катушечных групп, от объединенных концов 2 и 8 катушечных групп, от объединенных концов 4 и 10 катушечных групп, от объединенных концов 6 и 12 катушечных групп, отличающаяся тем, что вывод взят от объединенных начал 2, 6, 10 и концов 3, 7, 11 катушечных групп.
РИСУНКИ
MM4A – Досрочное прекращение действия патента СССР или патента Российской Федерации на изобретение из-за неуплаты в установленный срок пошлины за поддержание патента в силе
Дата прекращения действия патента: 08.07.2005
Извещение опубликовано: 27.04.2007 БИ: 12/2007
|
|