|
|
(21), (22) Заявка: 2003100690/09, 08.01.2003
(24) Дата начала отсчета срока действия патента:
08.01.2003
(45) Опубликовано: 27.11.2004
(56) Список документов, цитированных в отчете о поиске:
SU 1831766 A1, 30.07.1993. RU 2185023 C2, 10.07.2002. RU 2172063 C1, 05.04.2000. RU 2020742 С1, 30.09.1994. SU 1774489 A1, 07.11.1992. SU 1679622 A1, 23.09.1991. GB 1239665 А, 21.07.1971. US 4137428 А, 30.01.1979. DE 2251839 B2, 02.01.1975. EP 0241736 A1, 21.10.1987. EP 1130777 A2, 05.09.2001.
Адрес для переписки:
630051, г.Новосибирск-51, ул. Ползунова, 15, ОАО “НАПО им. В.П. Чкалова”
|
(72) Автор(ы):
Федоров Г.В. (RU)
(73) Патентообладатель(и):
Открытое акционерное общество “Новосибирское авиационное производственное объединение им. В.П. Чкалова” (RU)
|
(54) ТРЕХФАЗНЫЙ КОММУТАТОР
(57) Реферат:
Изобретение относится к импульсной технике и может быть использовано для управления трехфазной нагрузкой. Техническим результатом является упрощение схемы подключения входных цепей тиристорных оптронов и обеспечение возможности использования низковольтного ключа управления. Трехфазный коммутатор содержит в каждой питающей сети тиристорные оптроны, соединенные встречно-параллельно и включенные последовательно с нагрузкой, три ограничительных резистора, шесть диодов, ключ управления. Каждый ограничительный резистор включен в соответствующую фазу сети между анод второго тиристорного оптрона каждой фазы сети и диодами этой же фазы. Выводы двух диодов двух фаз сети соединены между собой и выходным выводом третьей фазы сети. Выводы двух диодов третьей фазы соединены с входными выводами двух других фаз сети. 1 ил.

Изобретение относится к импульсной технике и может быть использовано для включения и отключения трехфазной нагрузки.
Наиболее близким к предлагаемому по технической сущности и достигаемому эффекту является трехфазный коммутатор (1) (прототип), содержащий в каждой коммутируемой фазе первый тиристорный оптрон, подключенный катодом к выходному выводу, а анодом – к соответствующей фазе сети, второй тиристорный оптрон, подключенный катодом к аноду первого тиристорного оптрона и соответствующей фазе анодом к выходному выводу этой фазы, трехфазный выпрямитель, подсоединенный анодами диодов к выходным выводам, первые диоды, подсоединенные катодом к соответствующему входу – аноду светодиода первого тиристорного оптрона, первую и вторую кнопки управления, по числу фаз первые и вторые стабилитроны, вторые, третьи и четвертые диоды, первые и вторые резисторы, а также дополнительный тиристор, причем анод первого диода соединен с анодом тиристорногo оптрона в каждой фазе, а катод светодиода тиристорного оптрона через соединенный катодом первый стабилитрон и первый резистор подключен к выходному выводу последующей фазы, второй диод подключен анодом к выходному выводу каждой фазы, а катодом – к аноду первого стабилитрона данной, фазы катоды светодиодов вторых тиристорных оптронов подключены к соответствующей фазе, аноды светодиодов вторых тиристорных оптронов через соединенные анодами третий диод и второй стабилитрон – для двух фаз – к аноду четвертого диода, катод которого подключен к соответствующему выходному выводу данной фазы, и первому выводу второго резистора, вторые выводы которых, в том числе и второго резистора третьей фазы, подключены к катоду дополнительного тиристора, анод которого подключен к выходу трехфазного выпрямителя, первая кнопка управления включена между управляющим электродом дополнительного тиристора и анодом светодиода первого тиристорного оптрона одной из фаз, вторая кнопка управления подключена к входной цепи второго тиристорного оптрона третьей фазы между точкой соединения анода четвертого диода с первым выводом второго резистора и катодом второго стабилитрона.
Недостатком данного устройства является усложненность схемы управления, в которой для реализации управляющего ключа потребовался дополнительный тиристор, а для управления входными цепями первых тиристорных оптронов – светодиодов – три цепи, содержащих каждый по два диода, стабилитрон и резистор, наличие на элементах управления (первая и вторая кнопки управления) высокого напряжения. Все это снижает надежность устройства.
Целью изобретения является повышение надежности.
Указанная цель достигается тем, что в трехфазном коммутаторе, содержащем в каждой коммутируемой фазе первый тиристорный оптрон, подключенный катодом к выходному выводу, а анодом – к соответствующей фазе сети, второй тиристорный оптон, подключенный катодом к аноду первого тиристорного оптрона и соответствующей фазе, анодом – к выходному выводу этой фазы, причем катод светодиода упомянутого оптрона подключен к аноду первого тиристорного оптрона; ограничительный резистор, первый диод, подключенный анодом к фазе А, второй диод, подключенный анодом к выходному выводу фазы А, третий диод, подключенный анодом к фазе В, четвертый диод, подключенный анодом к выходному выводу фазы В, пятый и шестой диоды, подключенные анодами к выходному выводу фазы С, а также ключ управления, а анод светодиода первого тиристорного оптрона каждой фазы подсоединен к аноду светодиода второго тиристорного оптрона, а анод – к первому выводу ограничительного резистора данной фазы, при этом второй вывод резистора фазы А подсоединен к катодам четвертого и шестого диодов, второй вывод резистора фазы В – к катодам второго и пятого диодов, второй вывод резистора фазы С – к катодам первого и третьего диодов, а ключ управления подключен между одной из фаз сети и первым выводом ограничительного резистора этой фазы.
Сущность предлагаемого технического решения заключается в разработке такого трехфазного коммутатора, в котором при значительно упрощенной схеме подключения входных цепей тиристорных оптронов возможно применение низковольтного ключа управления.
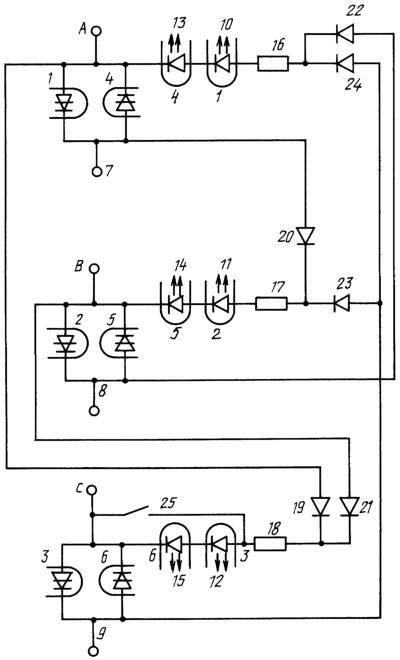
На чертеже представлена принципиальная электрическая схема трехфазного коммутатора. Коммутатор содержит первые (2, 3) и второй 4 (5, 6) тиристоры, соединенные встречно-параллельно и включенные в каждую фазу А (В, С) питающей сети последовательно с нагрузкой, подсоединяемой к выходным выводам 7-9, тиристоры 1-6 могут быть выполнены светоуправляемыми, при этом входными цепями тиристоров являются светодиоды 10-15 соответственно; ограничительный резистор 16 (17, 18), а также первый диод 19, подключенный анодом к фазе А, второй диод 20, подключенный анодом к выходному выводу фазы А, третий диод 21, подключенный анодом к фазе В, четвертый диод 22, подключенный анодом к выходному выводу фазы В, пятый 23 и шестой 24 диоды, подключенные анодами к выходному выводу фазы С, а также ключ управления 25, причем катод светодиода 10 (11, 12) первого тиристорного оптрона 1 (2, 3) через соединенный с ним последовательно-согласно светодиод 13 (14, 15) второго тиристорного оптрона 4 (5, 6) подключен к соответствующей фазе A (B, C) сети, а анод – к первому выводу ограничительного резистора 16 (17, 18) этой же фазы, второй вывод резистора 16 подсоединен к катодам 22, 24 диодов, второй вывод резистора 17 фазы В – к катодам 20, 23 диодов, второй вывод резистора 18 фазы С – к катодам 19, 21 диодов; ключ управления 25, который может быть выполнен в контактном или бесконтактном варианте, подключен между фазой С сети и первым выводом ограничительного резистора 18.
Трехфазный коммутатор работает следующим образом. В исходном состоянии ключ управления 25 замкнут, входные цепи тиристорных оптронов 3 и 6 зашунтированы, вследствие чего оптроны закрыты, соответственно, и оптроны в фазах А, В, и напряжение в нагрузке равно нулю. Ток через ключ управления 25 определяется выпрямленным двухпульсным напряжением (линейные напряжения между фазами А, С и В, С) и величиной сопротивления ограничительного резистора 18.
При размыкании ключа управления 25, допустим, в момент времени t=3/4 (по цепи: фаза В, третий диод 21, ограничительный резистор 18, светодиоды 12, 15 тиристорных оптронов 3, 6 фаза С начинает протекать ток, определяемый половиной амплитуды линейного напряжения между фазами В, С и величиной сопротивления резистора 18, открывается первый тиристорный оптрон 3, вследствие чего замыкается цепь питания светодиодов 13, 10 тиристорных оптронов 4, 1, по которой начинает протекать ток, определяемый половиной линейного напряжения между фазами С, А и резистором (цепь: фаза С, первый оптронный тиристор 3, шестой диод 24, ограничительный резистор 16, светодиоды 10, 13 оптронов 1,4 фаза А). Оптрон 4 включается, и в силовой цепи начинает течь ток от фазы. С через оптрон 3, нагрузку, оптрон 4 к фазе А. С момента времени по цепи: фаза С, оптрон 3, диод 23, резистор 17, светодиоды 11, 14 оптронов 2, 5, фаза В начинает протекать ток и с момента времени (по мере его роста) этот ток включает второй тиристорный оптрон 5 (величина тока управления определяется половиной амплитуды линейного напряжения между фазами С, В и резистором 17). Нагрузочный ток течет от фазы С, оптрон 3, нагрузку через оптроны 4, 5 к фазам А, В. С момента времени t=2 , когда происходит смена полярности у фазы А (тиристорный оптрон 4 запирается), ток, протекающий в это время через светодиоды 13, 10 оптронов 4, 1 (определяемый половиной амплитуды линейного напряжения между фазами C, А и резистором 16), включает первый оптронный тиристор 1, и ток нагрузки течет от фаз С, А через оптроны 3, 1, нагрузку, оптрон 5 к фазе В.
Дальнейшее переключение тиристорных оптронов происходит аналогично в соответствии с чередованием фаз питающей сети. Для отключения коммутатора замыкается ключ управления 25, входные цепи оптронов 3, 6 при этом шунтируются, что приводит к их закрытию и, когда напряжения на анодах оптронных тиристоров фаз А, В становятся одного знака, последние, закрываясь, уже в дальнейшем не открываются, что приводит к отключению нагрузки от питающей сети. На разомкнутом управляющем ключе 25 (коммутатор включен) присутствует напряжение, определяемое схемой двухпульсного выпрямления трехфазной сети и соотношением величин сопротивлений резистора 18 и светодиодов 12, 15 оптронов 3, 6 и составляющее по амплитуде при напряжении питания 380 в несколько вольт.
В сравнения с прототипом заявленное устройство отличается более простой схемой подключения входных цепей тиристорных оптронов, возможностью применения низковольтного ключа управления.
Источник информации
1. Авторское свидетельство СССР №1831766 Н 03 К 17/72, 1991, “Трехфазный коммутатор”.
Формула изобретения
Трехфазный коммутатор, содержащий в каждой коммутируемой фазе первый тиристорный оптрон, подключенный катодом к выходному выводу, а анодом – к соответствующей фазе сети, второй тиристорный оптрон, подключенный катодом к аноду первого тиристорного оптрона и соответствующей фазе, анодом – к выходному выводу этой фазы, причем катод светодиода упомянутого оптрона подключен к аноду первого тиристорного оптрона, ограничительный резистор, первый диод, подключенный анодом к фазе А, второй диод, подключенный анодом к выходному выводу фазы А, третий диод, подключенный анодом к фазе В, четвертый диод, подключенный анодом к выходному выводу фазы В, пятый и шестой диоды, подключенные анодами к выходному выводу фазы С, а также ключ управления, отличающийся тем, что катод светодиода первого тиристорного оптрона подсоединен к аноду светодиода второго тиристорного оптрона, а анод – к первому выводу ограничительного резистора этой же фазы, при этом второй вывод резистора фазы А подсоединен к катодам четвертого и шестого диодов, второй вывод резистора фазы В – к катодам второго и пятого диодов, второй вывод резистора фазы С – к катодам первого и третьего диодов, а ключ управления подключен между одной из фаз сети и первым выводом ограничительного резистора этой фазы.
РИСУНКИ
MM4A – Досрочное прекращение действия патента СССР или патента Российской Федерации на изобретение из-за неуплаты в установленный срок пошлины за поддержание патента в силе
Дата прекращения действия патента: 09.01.2008
Извещение опубликовано: 27.07.2009 БИ: 21/2009
|
|