|
|
(21), (22) Заявка: 2002132308/09, 02.12.2002
(24) Дата начала отсчета срока действия патента:
02.12.2002
(43) Дата публикации заявки: 10.06.2004
(45) Опубликовано: 27.11.2004
(56) Список документов, цитированных в отчете о поиске:
RU 2046485 C1, 20.10.1995. RU 2029426 С1, 20.02.1995. US 5465188 А, 07.11.1995.
Адрес для переписки:
344019, г.Ростов-на-Дону, ул. 21-линия, 25(частн.), Г.Г. Гарбузову
|
(72) Автор(ы):
Крыночкин И.В. (RU), Гарбузов Г.Г. (RU), Гончаров С.В. (RU), Кужеков С.Л. (RU), Золоев Б.П. (RU), Любецкий А.П. (RU)
(73) Патентообладатель(и):
Гарбузов Григорий Геннадьевич (RU), Гончаров Сергей Викторович (RU), Крыночкин Игорь Валентинович (RU), Кужеков Станислав Лукьянович (RU)
|
(54) УСТРОЙСТВО КУЖЕКОВА-КРЫНОЧКИНА ЗАЩИТЫ ЭЛЕКТРОПРИЕМНИКОВ ОТ ПРЕВЫШЕНИЯ НАПРЯЖЕНИЯ
(57) Реферат:
Изобретение относится к электротехнике, а именно к устройствам для защиты однофазных электроприемников напряжением до 1 кВ от отклонений напряжения, и может быть использовано для защиты электроприборов (теле- и аудиоаппаратуры, персональных компьютеров, сплит-систем и других бытовых приборов и средств офисной техники) от длительных (временных) перенапряжений в системах переменного или постоянного тока и последующего автоматического включения указанных приборов после восстановления напряжения до допустимого значения. Технический результат изобретения – повышение надежности устройства, а также обеспечение возможности дистанционной или телемеханической коммутации нагрузки. Для достижения технического результата заявляемое устройство содержит автоматические выключатели (1 и 2), выпрямитель (3), первый токоограничивающий элемент (4), электромагнитный элемент с обмоткой управления (5), имеющий вспомогательные контакты (6) и главные контакты (7), второй токоограничивающий элемент (8), второй силовой ключ (9), первый силовой ключ (10), элемент выдержки времени (11), первый пороговый элемент (12), логический элемент ИЛИ (13), второй пороговый элемент (14), ограничители перенапряжений (15 и 16), внешнее устройство ВУ, кнопки тестового контроля “Тест 1” и “Тест 2”. Заявляемое устройство Кужекова-Крыночкина защиты электроприемников от превышения напряжения промышленно осуществимо, несложно и может быть изготовлено из стандартных электрорадиоэлементов. Экспериментальный образец устройства показал высокую надежность и работоспособность. 1 ил.

Изобретение относится к электротехнике, а именно к устройствам для защиты однофазных электроприемников напряжением до 1 кВ от отклонений напряжения, и может быть использовано для защиты электроприборов (теле- и аудиоаппаратуры, персональных компьютеров, сплит-систем и других бытовых приборов и средств офисной техники) от длительных (временных) перенапряжений в системах переменного или постоянного тока и последующего автоматического включения указанных приборов после восстановления напряжения до допустимого значения.
Отклонения фазного напряжения в распределительных электрических сетях напряжением 0,4 кВ от номинального значения наиболее часто возникают вследствие обрыва нулевого провода. При этом из-за несимметричной нагрузки фазные напряжения в двух фазах могут достигать 380 В, а в третьей фазе – быть ниже 180 В. Недопустимые отклонения напряжения возникают также при попадании напряжения городского электротранспорта в распределительную электрическую сеть. Указанные отклонения напряжения приводят к повреждению бытовой или офисной техники, которая не рассчитана на длительную работу при напряжении, выходящем за диапазон 180…250 В, а также к возгораниям и пожарам. В результате наносится ущерб здоровью и имуществу людей. Наиболее вероятно повреждение электроприборов, работающих в круглосуточном или ждущем режиме.
С целью решения проблемы защиты людей и их имущества при эксплуатации электрооборудования в последние годы мировыми производителями электротехнического оборудования используются разрядники и ограничители перенапряжений (ОПН). При этом известны следующие основные варианты отключения разрядников или ОПН при возникновении недопустимого значения сопровождающего тока.
Отключение главной токовой цепи (т.е. обесточение всего электрооборудования) с помощью вводного автоматического выключателя с последующим ручным его включением. Недостатком такого отключения является отсутствие контроля напряжения сети в момент включения, что может привести к подаче недопустимого напряжения на электроприборы.
Отключение сопровождающего тока разрядников или ОПН автоматическими выключателями самих разрядников или ОПН. Недостатком является отсутствие защиты электроприемников от перенапряжений при отключении разрядников (ОПН).
Использование тепловой защиты, встроенной в разрядник с применением сменных элементов в последних ступенях защиты от перенапряжений (патент РФ №2029426, 1995 г.). Недостаток в данном случае по существу тот же, что и в предыдущем пункте.
Общим недостатком предложенных видов защиты является несоответствие вольт-секундных характеристик разрядников и ОПН характеристикам защищаемых объектов при длительных перенапряжениях. По существу указанные средства обеспечивают защиту бытовой и офисной техники только при кратковременных (импульсных) перенапряжениях.
В России и СНГ для поддержания напряжений в допустимом диапазоне значений используются устройства внешнего и внутреннего симметрирования нагрузок, а также трансформаторы с автоматическим регулированием коэффициента трансформации. Анализ показал, что указанные устройства и трансформаторы имеют высокую стоимость и не обладают достаточной надежностью функционирования. Более реалистичным в современных технико-экономических условиях является применение устройств защиты электроприемников от отклонений напряжения. По своим возможностям ниже перечисленные устройства можно разделить на три группы.
1. Известны устройства защиты от отклонений напряжения, встраиваемые в устройства защитного отключения (УЗО) /устройства АстроУЗО, ВКЗ/. Пороговый элемент таких устройств реагирует на превышение напряжением сети максимально допустимого значения и обеспечивает отключение УЗО. Известно также устройство защиты потребителя электроэнергии от перенапряжения по заявке на патент РФ №95105694, 27.11.1996. Сущность изобретения: при нажатии кнопки контакты замыкаются и потребитель включается в сеть. При этом фиксатор защелкивается на сердечнике. При номинальном напряжении сети триодный ключ заперт. В случае превышения некоторого заданного порога напряжения пороговый элемент открывается. При этом триодный ключ отпирается, исполнительное средство срабатывает и фиксатор освобождается. При этом контакты размыкаются. В результате отключаются от сети как потребитель, так и само устройство защиты.
Известно устройство защитного отключения, комбинированное по патенту РФ №2169422, 20.06.2001, содержащее выключатель автоматический с катушкой независимого расцепителя, пороговый элемент, узел питания, выводы питания которого подключены к одному из фазных проводов и к нулевому проводу сети соответственно, выпрямитель, а также три резистора, каждый из которых соединен одним выводом с соответствующим фазным проводом, а их другие выводы соединены между собой, дополнительно введены оптопара, датчик дифференциального тока, два ключа, пять пороговых элементов, пять резисторов, элемент ИЛИ, два одновибратора, инерционное звено, два диода, соединенные между собой определенным образом.
Известно также устройство защитного отключения электроустановок в однофазной цепи с глухо заземленной нейтралью по патенту РФ №2184413, 20.06.2002, содержащее коммутационный аппарат с входом для подключения фазного и нулевого проводов, выход для подключения нагрузки, мостовой выпрямитель, независимый расцепитель и стабилизатор напряжения, а также ключ тиристорный, датчик дифференциального тока, диодное плечо, кнопки “Тест”, варистор, заземляющий провод, интегрирующую RC-цепь, токозадающие резисторы.
Недостатком этих устройств является отсутствие возможности автоматического восстановления электропитания после возвращения напряжения сети в допустимый диапазон значений. Указанный недостаток приводит к тому, что потребитель может длительно оставаться без питания при возврате напряжения в диапазон допустимых значений.
2. Известны устройства, обеспечивающие отключение электроприемников при отклонениях напряжения и автоматическое восстановление питания после возврата напряжения в допустимый диапазон значений. Например, устройство для защиты потребителя от повышенного и пониженного напряжения в сети переменного тока по патенту РФ №2136097, 27.08.1999. Устройство содержит выпрямительный мост, исполнительный элемент, пороговый узел, два стабилизатора напряжения, делитель напряжения сети, узел контроля напряжения сети, формирователь импульсов, счетчик импульсов, узел индикации и узел управления. Данное устройство обеспечивает мгновенное отключение потребителя от сети при изменении напряжения ниже 170 В и выше 250 В и включение потребителя с задержкой 5 мин при восстановлении напряжения сети выше 170 В и ниже 250 В.
Известно устройство для отключения сетевого переменного напряжения от нагрузки при повышении сетевого напряжения выше допустимого по патенту РФ №2177199, 20.12.2001. Устройство содержит ключ с управляющим входом, выпрямитель сетевого напряжения с входом и выходом, пороговый элемент с входом и выходом, таймер, фильтр, измерительный делитель напряжения и триггер с первым и вторым входами и выходом, при этом ключ выполнен в виде оптоэлектронного ключа, а выпрямитель сетевого напряжения – в виде двух полупериодных выпрямителей, в качестве порогового элемента может использоваться стабилитрон.
Недостатками таких устройств являются отсутствие возможности обесточивания потребителя от внешнего управляющего устройства, например автоматизированной системы коммерческого учета электрической энергии (АСКУЭ), и отсутствие зависимости выдержки времени на отключение электроприемников от уровня питающего напряжения. Последнее может приводить к излишним коммутациям защищаемых электроприемников при колебаниях напряжения в сети, вызываемых, например, работой сварочного аппарата.
3. Известно устройство для защиты потребителя от перенапряжения в сетях переменного тока по патенту РФ №2074472, 27.02.1997. Сущность изобретения: устройство содержит пороговый элемент и подключенный к нему исполнительный орган, являющийся одновременно защитным устройством. Исполнительный орган состоит из диодного моста с силовым тиристором, в цепь управления которого включен полевой транзистор. Сток полевого транзистора соединен с анодом тиристора, исток – с управляющим электродом, а затвор – через делитель напряжения на резисторах с выпрямителем сетевого напряжения, который состоит из диода с накопительным конденсатором и пороговым элементом, включенными параллельно между затвором транзистора и анодом тиристора.
Известно устройство для защиты электропотребителя от перенапряжения в сети электропитания по патенту РФ №2079201, 10.05.1997. Сущность изобретения: в первом варианте устройство содержит два тиристора, два транзистора, два вентиля, генератор включения, генератор отключения и управляющий блок, содержащий пороговый элемент. Каждый тиристор включен между коллектором и базой соответствующего транзистора, между эмиттером и коллектором транзистора включен соответствующий вентиль. Генератор включения управляет двумя тиристорами, генератор отключения управляет двумя транзисторами. Управляющий блок осуществляет в зависимости от входного напряжения управление генераторами включения и отключения. Во втором варианте каждый тиристор включен между коллектором и базой соответствующего транзистора, последовательно с каждым транзистором включен соответствующий вентиль. В третьем варианте устройство содержит тиристор, транзистор, четыре вентиля, образующих двухполупериодный мостовой выпрямитель. Тиристор включен между коллектором и базой транзистора, транзистор подключен к выходным выводам мостового выпрямителя.
Известно устройство для защиты потребителя от перенапряжения в сетях переменного тока по патенту РФ №2095906, 10.11.1997. Сущность изобретения: устройство содержит пороговый элемент и подключенный к нему исполнительный орган. Исполнительный орган является одновременно защитным устройством и состоит из силового симистора, управляющий электрод которого соединен с анодом через диодный мост с полевым транзистором, включенным в диагональ моста, затвор которого подключен к коллектору транзистора ключевого каскада, имеющего в цепи базы последовательно включенные резистор и стабилитрон, соединенные с истоком полевого транзистора, а его эмиттер подключен к накопительному конденсатору и пороговому элементу, включенным параллельно и соединенным через резистор с выпрямителем сетевого напряжения на диоде.
Известно устройство защиты бытовых приборов от перенапряжения по патенту РФ №2109387, 20.04.1998. Сущность изобретения заключается в том, что устройство содержит трехфазный контактный автомат, на двух фазах которого установлены тепловые элементы и обмотки реле. Между третьей фазой и нулем установлено реле максимального напряжения, состоящее из тиристора, стабилитрона, диода в обратном включении, электромагнитного расцепителя и двух сопротивлений.
Известно устройство для защиты потребителя от ненормированного напряжения в сетях переменного тока по патенту РФ №2113046, 10.06.1998. Сущность изобретения: устройство содержит пороговый элемент и подключенный к нему исполнительный орган. Исполнительный орган является одновременно защитным устройством и состоит из силового симистора, управляющий электрод которого соединен с анодом через диодный мост с полевым транзистором, включенным в диагональ моста, затвор которого подключен к коллектору транзистора ключевого каскада, имеющего в цепи базы последовательно включенные резистор и стабилитрон, соединенные с истоком полевого транзистора, а его эмиттер подключен к накопительному конденсатору и двум пороговым элементам: верхнего предела напряжения и инвертирующего порогового элемента нижнего предела напряжения, включенным параллельно и соединенным через резистор с выпрямителем сетевого напряжения на диоде.
Общим существенным недостатком таких устройств, оснащенных электронными ключами (транзисторными, тиристорными или симисторными), является необходимость использования для охлаждения указанных ключей громоздких радиаторов. В результате массогабаритные показатели устройств защиты получаются достаточно низкими. Следует отметить также низкую стойкость электронных ключей к токам короткого замыкания (в соответствии с действующими стандартами указанный ключ должен выдерживать ток короткого замыкания 1500 А).
Прототипом заявляемого изобретения выбрано устройство для защиты потребителя от превышения напряжения в сети питания по патенту РФ №2046485, 20.10.1995. Сущность изобретения: устройство обладает повышенной помехоустойчивостью от высокочастотных единичных импульсов в сети питания, обеспечивает обесточивание потребителя при превышении напряжения в сети выше уровня настройки, что достигается введением в устройство резистивного делителя с переменным резистором, исполнительного элемента с катушкой электромагнитного переключателя, последовательно с которой включен токоограничивающий элемент, реагирующего органа в виде тиристора, управляющий электрод которого через резистор соединен с пороговым элементом, схемы управления с пороговым элементом, состоящей из двух последовательно включенных диодов и интегрирующей RC-цепи. Устройство обеспечивает отключение потребителя при превышении напряжения выше уровня напряжения, на который настроена пороговая схема устройства, и световую индикацию. Повторное включение устройства осуществляется принудительно (нажатием кнопки).
Недостатками прототипа являются:
– отсутствие возможности автоматического восстановления электропитания при возвращении напряжения сети в заданный диапазон значений;
– отсутствие зависимости продолжительности работы электроприемников при отклонениях напряжения от значений указанных отклонений;
– отсутствие возможности дистанционного или телемеханического отключения, например, от системы АСКУЭ.
Указанные недостатки приводят к тому, что возможны отключения электроприемников при кратковременных отклонениях напряжения, не опасных по продолжительности действия. Указанные отключения могут приводить к нарушениям в работе персональных компьютеров, систем управления бытовыми электроприборами и др. Кроме того, при возникновении необходимости отключения или включения потребителя Энергосбытом или аналогичной ему организацией требуется коммутировать нагрузку вручную. Возможно также длительное отключение электроприемника при появлении однократного отклонения напряжения.
Техническая задача, решаемая изобретением, – повышение надежности устройства, а также обеспечение возможности дистанционной или телемеханической коммутации нагрузки.
Поставленная задача решается тем, что устройство защиты электроприемников от отклонений напряжения содержит входные выводы для подключения к сети питания, выходные выводы для подключения к потребителю, электромагнитный элемент с контактами, последовательно с обмоткой управления которого включен токоограничивающий элемент, а также пороговый элемент, при этом последовательно соединенные обмотка управления электромагнитным элементом с одним устойчивым состоянием с нормально замкнутыми контактами и первый токоограничивающий элемент подключены между первым и вторым входными выводами устройства через дополнительно введенный выпрямитель, а к точке соединения обмотки управления электромагнитным элементом с одним устойчивым состоянием с нормально замкнутыми контактами и первого токоограничивающего элемента подключены первые выводы двух силовых ключей, вторые выводы которых подключены к выходу выпрямителя, при этом второй силовой ключ подключен к выходу выпрямителя через второй токоограничивающий элемент, вторая точка соединения обмотки управления электромагнитным элементом с одним устойчивым состоянием и нормально замкнутыми контактами через вспомогательный контакт подключена к входам кнопок “Тест”, кроме того, устройство содержит два пороговых элемента максимального напряжения, выход одного из которых подключен непосредственно, а второго – через элемент с зависящей или независящей от напряжения выдержкой времени ко входам логического элемента ИЛИ, выход которого подключен к управляющему входу первого силового ключа, а управляющий вход второго силового ключа подключен к внешнему устройству для управления коммутацией нагрузки, причем к первому входу каждого порогового элемента подключены цепочки, содержащие замыкающие контакты кнопок “Тест 1” и “Тест 2”, а ко второму входу каждого порогового элемента подключен выход выпрямителя.
Технический результат, получаемый в результате реализации данного устройства, состоит в том, что оно позволяет обеспечить постоянный контроль сетевого напряжения и высокую стойкость к токам короткого замыкания в силовой цепи, а также приблизить характеристики защиты от отклонений напряжения по значениям напряжения и времени к характеристикам защищаемых электроприемников, что надежно защищает электроприборы при длительных (временных) перенапряжениях. Кроме того, обеспечивается возможность дистанционного отключения потребителя от внешних устройств.
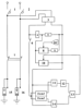
На чертеже представлена функциональная схема устройства защиты электроприемников от отклонений напряжения.
Заявляемое устройство содержит автоматические выключатели 1 и 2, выпрямитель 3, электромагнитный элемент с одним устойчивым состоянием с нормально замкнутыми контактами, имеющий обмотку управления 4, первый токоограничивающий элемент 5, вспомогательные контакты 6 и главные контакты 7, второй силовой ключ 8, второй токоограничивающий элемент 9, первый силовой ключ 10, первый пороговый элемент максимального напряжения 11, элемент с зависящей или независящей от напряжения выдержкой времени 12, логический элемент ИЛИ 13, второй пороговый элемент максимального напряжения 14, ограничители перенапряжений 15 и 16, кнопки тестового контроля “Тест 1” и “Тест 2”, входные и выходные выводы для подключения к нагрузке и сети питания и зажимы для подключения к внешнему устройству ВУ.
Устройство работает следующим образом. В нормальном рабочем режиме напряжение питающей электрической сети находится в допустимом диапазоне значений. При этом пороговые элементы максимального напряжения 11 и 14 находятся в несработанном состоянии и первый силовой ключ 10 разомкнут. Параметры обмотки управления электромагнитного элемента с одним устойчивым состоянием и нормально замкнутыми контактами 4, а также сопротивление первого токоограничивающего элемента 5 выбирают таким образом, чтобы при допустимом диапазоне значений питающего напряжения электромагнитный элемент с одним устойчивым состоянием и нормально замкнутыми контактами 4 находился в несработанном состоянии (контакты 6 и 7 замкнуты). В результате к защищаемым электроприемникам подается питание.
В случае превышения напряжением сети первого допустимого значения срабатывает первый пороговый элемент максимального напряжения 11, элемент с независящей или зависящей от напряжения выдержкой времени 12 запускается и через логический элемент ИЛИ 13 осуществляет включение первого силового ключа 10. Если напряжение сети превышает второе допустимое значение, то срабатывает второй пороговый элемент максимального напряжения 14 и включает первый силовой ключ 10 без выдержки времени. Включение силового ключа 10 вызывает срабатывание электромагнитного элемента с одним устойчивым состоянием и нормально замкнутыми контактами 4 и размыкание его главных и вспомогательных контактов 7 и 6. Электроприемники отключаются от питающей электрической сети.
Возвращение питающего напряжения в допустимый диапазон значений вызывает возврат пороговых элементов максимального напряжения 11 и 14, первого силового ключа 10 и электромагнитного элемента с одним устойчивым состоянием и нормально замкнутыми контактами 4 в исходное состояние. Защищаемые электроприемники вновь подключаются к сети.
Появление чрезмерно высокого напряжения (импульсного перенапряжения или длительного напряжения с амплитудой выше заданного значения) вызывает срабатывание одного или обоих ограничителей перенапряжений 15, 16. По главным цепям автоматических выключателей 1 и 2 при этом проходят токи, достаточные для срабатывания расцепителей этих выключателей. В случае импульсных перенапряжений время существования повышенных токов мало и расцепители автоматических выключателей 1 и 2 не срабатывают. При возникновении длительных напряжений с амплитудой выше заданного значения расцепители выключателей 1 и 2 срабатывают и вызывают отключение последних. Электроприемники и устройство защиты отключаются от питающей сети.
Назначение второго силового ключа 8 объясняется обеспечением возможности дистанционного или телемеханического отключения потребителя от питающей сети с помощью внешних устройств ВУ, например автоматизированной системы коммерческого учета электрической энергии или контролером Энергосбыта. Возможно совмещение функций силовых ключей 8 и 10 в одном элементе.
Проверка исправности устройства производится путем нажатия кнопки “Тест 1” – на первой установке (элемент с выдержкой времени) и кнопки “Тест 2” – на второй установке (элемент без выдержки времени). При нажатии любой из кнопок срабатывает соответствующий пороговый элемент максимального напряжения и происходит отключение потребителя.
Предложенное устройство обладает совокупностью следующих достоинств, которой не обладает ни одно из известных устройств того же целевого назначения:
– вольт-секундные характеристики устройства максимально приближены к характеристикам защищаемых объектов, вследствие чего обеспечивается полноценная защита потребителя при длительных (временных) перенапряжениях, вызванных обрывом нулевого провода распределительной электрической сети, а также попаданием напряжения городского электрического транспорта в распределительную электрическую сеть. Кроме того, исключаются излишние коммутации защищаемых электроприборов при не опасных по длительности колебаниях напряжения в электрической сети, вызванных, например, работой сварочного аппарата;
– автоматическое включение защищаемых электроприборов при возврате напряжения в допустимый диапазон значений, например 180…250 В;
– возможность дистанционного или телемеханического отключения электроприборов от питающей электрической сети внешними устройствами, например с помощью автоматизированной системы коммерческого учета электроэнергии (АСКУЭ);
– минимальные масса и габариты, что обеспечивается рациональным сочетанием электронных и электромеханических приборов. В частности, в качестве силового ключа для коммутации защищаемых электроприборов использован малогабаритный электромеханический контактор, находящийся в нормальных условиях в несработанном состоянии;
– высокая стойкость к токам короткого замыкания в силовой цепи, что обусловлено использованием электромеханического контактора;
– отсутствие громоздких и дорогостоящих радиаторов для охлаждения силовых ключей, коммутирующих цепи питания защищаемых электроприборов. Вследствие этого предложенное устройство может быть размещено внутри этажного электрического щитка и укреплено на стандартных электротехнических рейках для устройств защитного отключения и автоматических выключателей. Оно может быть размещено внутри защищаемого электроприбора, например сплит-системы.
Заявляемое устройство Кужекова-Крыночкина защиты электроприемников от превышения напряжения промышленно осуществимо, несложно и может быть изготовлено из стандартных электрорадиоэлементов. Экспериментальный образец устройства показал высокую надежность и работоспособность.
Формула изобретения
Устройство защиты электроприемников от превышения напряжения, содержащее входные выводы для подключения к питающей сети, выходные выводы для подключения к потребителю, электромагнитный элемент, последовательно с обмоткой которого включен первый токоограничивающий элемент, а также пороговый элемент, отличающееся тем, что последовательно соединенные обмотка управления электромагнитным элементом с нормально замкнутыми контактами и первый токоограничивающий элемент подключены между первым и вторым входными выводами устройства через дополнительно введенный выпрямитель, а к точке соединения обмотки управления электромагнитным элементом и первого токоограничивающего элемента подключены первые выводы первого и второго силовых ключей, вторые выводы которых подключены к выходу выпрямителя, при этом второй силовой ключ подключен к выходу выпрямителя через второй токоограничивающий элемент, вторая точка обмотки управления электромагнитным элементом через вспомогательный контакт электромагнитного элемента подключена к входам кнопок “Тест”, кроме того, устройство содержит два пороговых элемента максимального напряжения, выход одного из которых подключен непосредственно, а второго через элемент с зависящей или не зависящей от напряжения выдержкой времени ко входам логического элемента ИЛИ, выход которого подключен к управляющему входу первого силового ключа, а управляющий вход второго силового ключа подключен к внешнему устройству для управления коммутацией нагрузки, причем к первому входу каждого порогового элемента максимального напряжения подключены цепочки, содержащие замыкающие контакты кнопок “Тест”, а ко второму входу каждого порогового элемента максимального напряжения подключен выход выпрямителя.
РИСУНКИ
MM4A Досрочное прекращение действия патента Российской Федерации на изобретение из-за неуплаты в установленный срок пошлины за поддержание патента в силе
Дата прекращения действия патента: 03.12.2004
Извещение опубликовано: 10.12.2006 БИ: 34/2006
|
|